Schémas électriques
- Christophe
- Messages : 4786
- Enregistré le : mer. 2 janv. 2008 15:21
- Modèle de caravane : ce fut une Puck 1981 puis Puck 1983
- prénom : Christophe Véro
- Localisation : 91 - 61
Schémas électriques
Hello !
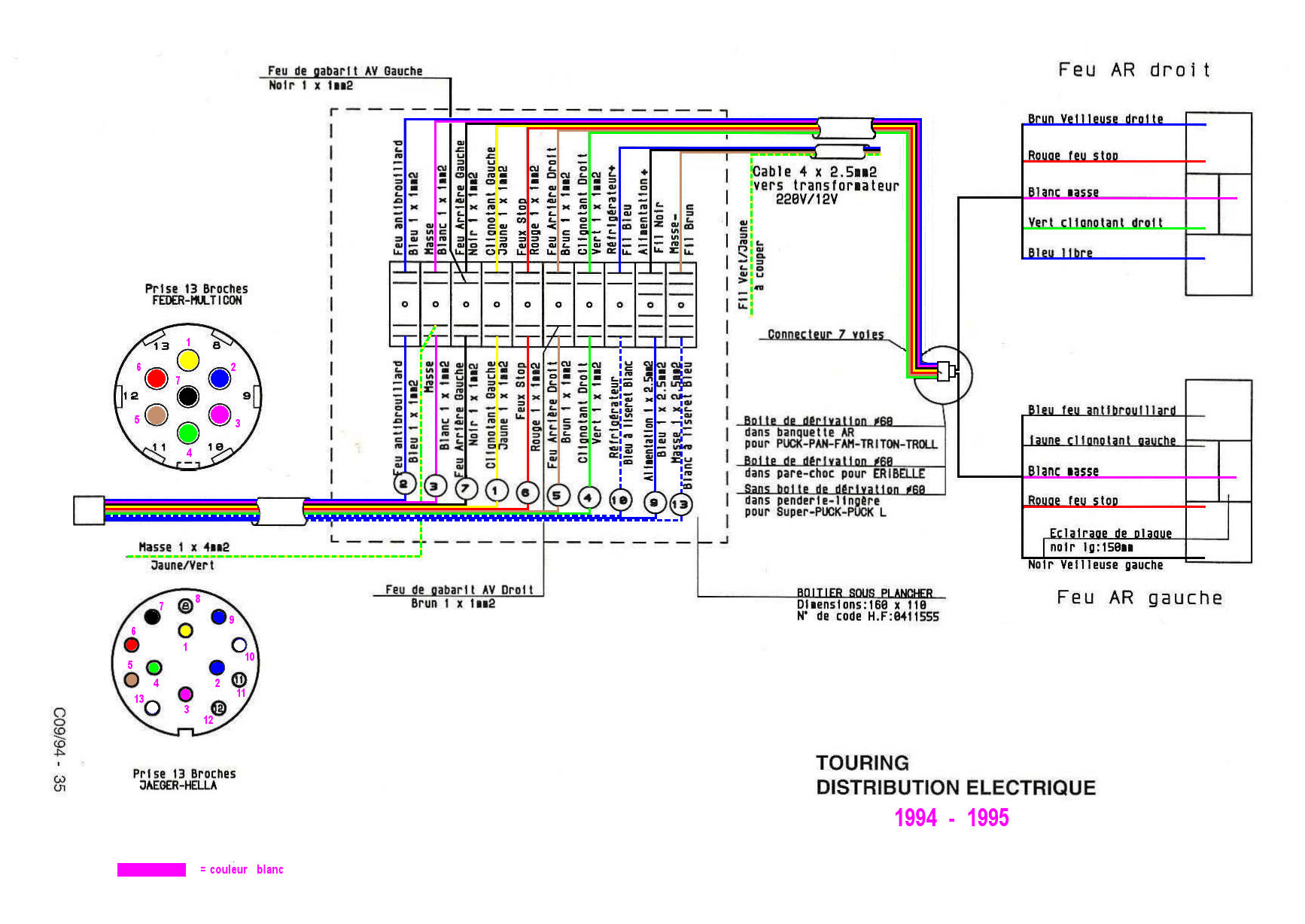
Il parait qu'il y en a qui en raffolent, c'est pas mon cas mais c'est utile :
Il parait qu'il y en a qui en raffolent, c'est pas mon cas mais c'est utile :
- Fichiers joints
-
- schema12V.jpg (70.19 Kio) Vu 92569 fois
-
- schema220V.jpg (66.63 Kio) Vu 92546 fois
-
- Schemaprise7b.jpg (94.05 Kio) Vu 92541 fois
"Parfois détruire, souvent construire, mais toujours servir."
- Christophe
- Messages : 4786
- Enregistré le : mer. 2 janv. 2008 15:21
- Modèle de caravane : ce fut une Puck 1981 puis Puck 1983
- prénom : Christophe Véro
- Localisation : 91 - 61
Re: Schémas électriques
prise 13 broches:
1 Feu Indicateur de Direction Gauche Jaune
2 Feu Arrière de Brouillard Bleu
3 Commun pour les broches 1,2 & 4-8 Blanc
4 Feu Indicateur de Direction Droit Vert
5 Feu de Position Droit Brun
6 Feux Stop Rouge
7 Feux de Position Gauche Noir
8 Feu de Recul Orange
9 +12 Volts Permanent Brun / Bleu
10 +12 Volts Après Contact Brun / Rouge
11 Commun pour la Broche 10 Blanc / Bleu
12 Broche de Codage (Broche 12 de la prise à connecter à la broche 3) Pas d'attribution
13 Commun pour la Broche 9 Blanc / Vert
Par ailleurs, je vous recommande de voir cette page web qui donne d'autres indications en fonction d'ordinateurs embarqués et d'anti-brouillard :
http://www.siarr.be/faisceaux.asp
1 Feu Indicateur de Direction Gauche Jaune
2 Feu Arrière de Brouillard Bleu
3 Commun pour les broches 1,2 & 4-8 Blanc
4 Feu Indicateur de Direction Droit Vert
5 Feu de Position Droit Brun
6 Feux Stop Rouge
7 Feux de Position Gauche Noir
8 Feu de Recul Orange
9 +12 Volts Permanent Brun / Bleu
10 +12 Volts Après Contact Brun / Rouge
11 Commun pour la Broche 10 Blanc / Bleu
12 Broche de Codage (Broche 12 de la prise à connecter à la broche 3) Pas d'attribution
13 Commun pour la Broche 9 Blanc / Vert
Par ailleurs, je vous recommande de voir cette page web qui donne d'autres indications en fonction d'ordinateurs embarqués et d'anti-brouillard :
http://www.siarr.be/faisceaux.asp
"Parfois détruire, souvent construire, mais toujours servir."
- Milloup91
- Messages : 283
- Enregistré le : ven. 18 janv. 2008 18:56
- Modèle de caravane : Super Puck (1997) +Kangoo 1,6 (2002)
- prénom : Alain
- Localisation : Egly
- Contact :
Re: Schémas électriques
Salut à tous,
voici le schéma électrique 12 volts pour les prises Feder-Multicon 7 plots + 6 contacts
voici le schéma électrique 12 volts pour les prises Feder-Multicon 7 plots + 6 contacts
"Plus on pédale moins vite et moins on avance plus vite..." :-)
- Milloup91
- Messages : 283
- Enregistré le : ven. 18 janv. 2008 18:56
- Modèle de caravane : Super Puck (1997) +Kangoo 1,6 (2002)
- prénom : Alain
- Localisation : Egly
- Contact :
Re: Schémas électriques
Salut à toutes et à tous,
voici le schéma électrique de cablage en 12 volts avec les prises Feder-Multicon (7+6) ou Jaeger-Hella (13)
voici le schéma électrique de cablage en 12 volts avec les prises Feder-Multicon (7+6) ou Jaeger-Hella (13)
"Plus on pédale moins vite et moins on avance plus vite..." :-)
- forumeribatouring
- Administrateur du site
- Messages : 8327
- Enregistré le : dim. 23 déc. 2007 18:07
- Modèle de caravane : ERIBA
- Localisation : FRANCE
- Contact :
Re: Schémas électriques
Bonsoir,
Voici le schéma électrique 2002 fourni par ALAIN2006
Pour grossir l'image appuyer sur la touche Ctrl et simultanément faire rouler la molette de votre souris.
Voici le schéma électrique 2002 fourni par ALAIN2006
Pour grossir l'image appuyer sur la touche Ctrl et simultanément faire rouler la molette de votre souris.
- Fichiers joints
-
- Schemelec2002.jpg (46.35 Kio) Vu 92116 fois
Salutations, Eribamaniacs de tous pays...................................
06.08.33.15.40-
moustache35
- Messages : 9
- Enregistré le : dim. 7 nov. 2010 19:29
- Modèle de caravane : Troll 510 gt 2OO2
- prénom : Alain
- Localisation : 35
- Contact :
Re: Schémas électriques
Merci pour vos réponses;
Je vais essayer de m'y retrouver, de vous déchiffrer car je ne suis pas très doué en électricité;
Apparemment les 2 prises existantes sont des 16 A ( 1 côté dînette avant et l'autre sur le bloc cuisine );
Elles sont d'ailleurs proche l'une de l'autre.
En fait, ce qui nous intéresse c'est le 220 v, tous nos appareils sont en 220 v.
Merci encore.
Je vais essayer de m'y retrouver, de vous déchiffrer car je ne suis pas très doué en électricité;
Apparemment les 2 prises existantes sont des 16 A ( 1 côté dînette avant et l'autre sur le bloc cuisine );
Elles sont d'ailleurs proche l'une de l'autre.
En fait, ce qui nous intéresse c'est le 220 v, tous nos appareils sont en 220 v.
Merci encore.
- lagaffe
- Messages : 84
- Enregistré le : ven. 26 nov. 2010 23:27
- Modèle de caravane : Triton 1993
- prénom : michel
- Localisation : 59
- Contact :
Re: Schémas électriques
en couleur c'est mieux
idem
suite a un message privé concernant des droits d'auteur , des schémas en noir et blanc que j'ai repris pour coloriser , je me vois dans l'obligation de les retirer
idem
suite a un message privé concernant des droits d'auteur , des schémas en noir et blanc que j'ai repris pour coloriser , je me vois dans l'obligation de les retirer
Modifié en dernier par lagaffe le ven. 17 déc. 2010 15:50, modifié 3 fois.
- djef24
- Messages : 7836
- Enregistré le : mar. 16 févr. 2010 10:59
- Modèle de caravane : Eriba troll jaune ( jubilé ) de 1998
- prénom : Jean-François
- Localisation : Sud Périgord noir
- Contact :
Re: Schémas électriques
super la réunion en un seul post de tous les shémas électriques..........
systèmes d'exploitation : Ubuntu-mate , Lubuntu ( linux ) et Windows 10
A la r'voyure
djef
A la r'voyure
djef
- forumeribatouring
- Administrateur du site
- Messages : 8327
- Enregistré le : dim. 23 déc. 2007 18:07
- Modèle de caravane : ERIBA
- Localisation : FRANCE
- Contact :
Re: Schémas électriques
Bonjour,
MERCI on
les initiatives de ce genre 
MERCI on
Salutations, Eribamaniacs de tous pays...................................
06.08.33.15.40- lagaffe
- Messages : 84
- Enregistré le : ven. 26 nov. 2010 23:27
- Modèle de caravane : Triton 1993
- prénom : michel
- Localisation : 59
- Contact :
Re: Schémas électriques
et un dernier pour la route
suite à un message privé , sur les "droits d'auteur"
des schémas en noir et blanc que j'ai repris pour les coloriser
je me vois dans l'obligation des les retirer
suite à un message privé , sur les "droits d'auteur"
je me vois dans l'obligation des les retirer
Modifié en dernier par lagaffe le ven. 17 déc. 2010 15:48, modifié 1 fois.
- eribabinbin
- Messages : 11961
- Enregistré le : jeu. 18 févr. 2010 00:07
- Modèle de caravane : TROLL FEY AUDI AVANT 40 TDI mild-hybrid s-line
- prénom : benjamin
- Localisation : 15km de SANCERRE
- Contact :
Re: Schémas électriques
Bonsoir Lagaffe et merci, je crois que nous devrions tous imprimer tes schémas et les garder dans la coquille.
Bravo pour ton travail.
BINBIN.
Bravo pour ton travail.
BINBIN.
- lagaffe
- Messages : 84
- Enregistré le : ven. 26 nov. 2010 23:27
- Modèle de caravane : Triton 1993
- prénom : michel
- Localisation : 59
- Contact :
Re: Schémas électriques
bonjour
ben....voila les amis :
je viens de recevoir un message privé d'une personne pas contente que j'ai repris les schémas en noirs et blancs pour le mettre en couleur
elle aurait fait ces schémas sur autocad et " pas contente que je n'&ai pas demandé l'autorisation pour les reprendre et mettre en couleur "
je suis assez déçu de telle réaction et je retire mes schémas couleur du forum
désolé pour vous les gars !
je ne comprends pas que l'on puisse avoir de telle réaction !
voici le message que j'ai reçu !
Bonjour,
Lorsque vous puisez un renseignement ou image d'un autre forum, la moindre des choses est d'en informer l'auteur ou d'en indiquer la source.
Ce dessin, a été fait sous AutoCAD et est présent sur mon DD http://www.lesamisderiba.fr/Schema-elec ... et-12V-des .
Merci de bien vouloir modifier votre fichier, faute de quoi, merci de bien vouloir le retirer.
En ce qui me concerne, si j'avais à mettre votre lien sur notre forum, j'en indiquerai la source.
C'est ce que l'on appelle le respect du travail d'autrui.
Merci par avance.
Bien Cordialement.
sans polémiquer , je suis decu de voir que des personnes sont attachées à " c'est moi qui est fait cela.....c'est à moi.....veux pas qu'on y touche...ect..... "
moi , personnellement j'ai passé des heures à mettre en couleur et ne réclame pas de droit d'auteur , je cherchais uniquement à aider les autres ! mes schémas colorisés , tout le monde pouvait s'en servir et cela était valable pour les autres forums
ben....voila les amis :
je viens de recevoir un message privé d'une personne pas contente que j'ai repris les schémas en noirs et blancs pour le mettre en couleur
elle aurait fait ces schémas sur autocad et " pas contente que je n'&ai pas demandé l'autorisation pour les reprendre et mettre en couleur "
je suis assez déçu de telle réaction et je retire mes schémas couleur du forum
désolé pour vous les gars !
je ne comprends pas que l'on puisse avoir de telle réaction !
voici le message que j'ai reçu !
Bonjour,
Lorsque vous puisez un renseignement ou image d'un autre forum, la moindre des choses est d'en informer l'auteur ou d'en indiquer la source.
Ce dessin, a été fait sous AutoCAD et est présent sur mon DD http://www.lesamisderiba.fr/Schema-elec ... et-12V-des .
Merci de bien vouloir modifier votre fichier, faute de quoi, merci de bien vouloir le retirer.
En ce qui me concerne, si j'avais à mettre votre lien sur notre forum, j'en indiquerai la source.
C'est ce que l'on appelle le respect du travail d'autrui.
Merci par avance.
Bien Cordialement.
sans polémiquer , je suis decu de voir que des personnes sont attachées à " c'est moi qui est fait cela.....c'est à moi.....veux pas qu'on y touche...ect..... "
moi , personnellement j'ai passé des heures à mettre en couleur et ne réclame pas de droit d'auteur , je cherchais uniquement à aider les autres ! mes schémas colorisés , tout le monde pouvait s'en servir et cela était valable pour les autres forums
- djef24
- Messages : 7836
- Enregistré le : mar. 16 févr. 2010 10:59
- Modèle de caravane : Eriba troll jaune ( jubilé ) de 1998
- prénom : Jean-François
- Localisation : Sud Périgord noir
- Contact :
Re: Schémas électriques
ben tu sais Lagaffe y a toujours des coincés du cul et partout .........ne t'en fait pas ,cette personne devrait ,au contraire ,être contente que tu améliores son schéma........moi en tout cas j'aurais dit bravo si tu avais amélioré le mien........mais ce n'était pas le mien !!!!!! dommage.....................que veux tu c'est comme ça, on pourrait croire que comme nous sommes tous des caravaniers nous tirerions tous dans le même sens ....et ben non ,y en a toujours qui se singularisent.....................................et c'est comme ça que certains forums se meurent...................et oui c'est la vie 
Modifié en dernier par djef24 le ven. 17 déc. 2010 16:12, modifié 1 fois.
systèmes d'exploitation : Ubuntu-mate , Lubuntu ( linux ) et Windows 10
A la r'voyure
djef
A la r'voyure
djef
- forumeribatouring
- Administrateur du site
- Messages : 8327
- Enregistré le : dim. 23 déc. 2007 18:07
- Modèle de caravane : ERIBA
- Localisation : FRANCE
- Contact :
Re: Schémas électriques
Bonjour,
Il ne faut pas te laisser faire , ces schémas de base appartiennent à la feue société HYMER FRANCE SAS
De plus ils figurent de longue date sur notre forum en tête de ce post.
La personne qui t'a contacté par MP doit donc être membre de notre Forum et ne mérite pas d'y être si de tels agissements perdurent.
Je te prie de bien vouloir me faire suivre ou plutôt me transférer, son ou ses messages, afin que je puisse prendre des dispositions.
Tu peux me joindre au : 06.08.33.15.40
Il ne faut pas te laisser faire , ces schémas de base appartiennent à la feue société HYMER FRANCE SAS
De plus ils figurent de longue date sur notre forum en tête de ce post.
La personne qui t'a contacté par MP doit donc être membre de notre Forum et ne mérite pas d'y être si de tels agissements perdurent.
Je te prie de bien vouloir me faire suivre ou plutôt me transférer, son ou ses messages, afin que je puisse prendre des dispositions.
Tu peux me joindre au : 06.08.33.15.40
Salutations, Eribamaniacs de tous pays...................................
06.08.33.15.40- Jean-Marc
- Messages : 1262
- Enregistré le : mar. 9 sept. 2008 20:26
- prénom : Jean-Marc ?
- Localisation : Belfort - France
- Contact :
Re: Schémas électriques
Bah en même temps, cette personne à raison, si c'est elle qui a fait ces schémas, la moindre des politesses est de demander avant de les utiliser ailleurs ou indiquer la source.lagaffe a écrit :bonjour
ben....voila les amis :
je viens de recevoir un message privé d'une personne pas contente que j'ai repris les chémas en noirs et blancs pour le mettre en couleur![]()
Bonjour,
Lorsque vous puisez un renseignement ou image d'un autre forum, la moindre des choses est d'en informer l'auteur ou d'en indiquer la source.
Ceci étant valable pour tout, schéma, photo, vidéo, ...
Modifié en dernier par Jean-Marc le ven. 17 déc. 2010 16:50, modifié 1 fois.
Amicalement,
Jean-Marc
Jean-Marc
- NICT00
- Messages : 1714
- Enregistré le : lun. 22 mars 2010 19:21
- Modèle de caravane : Trollinette 530Gt et Peugeot 3008 HDI 2.0 163 ch
- prénom : Fernand & Liz
- Localisation : Morbihan, Bretagne
- Contact :
Re: Schémas électriques
Jean-Marc a écrit :Bah en même temps, cette personne à raison, si c'est elle qui a fait ces schémas, la moindre des politesses est de demander avant de les utiliser ailleurs ou indiquer la source.lagaffe a écrit :bonjour
ben....voila les amis :
je viens de recevoir un message privé d'une personne pas contente que j'ai repris les schémas en noirs et blancs pour le mettre en couleur![]()
Bonjour,
Lorsque vous puisez un renseignement ou image d'un autre forum, la moindre des choses est d'en informer l'auteur ou d'en indiquer la source.
Ceci étant valable pour tout, schéma, photo, vidéo, ...
Kénavo,
Fernand & Elisabeth
Ma passion la Bretagne.

Fernand & Elisabeth
Ma passion la Bretagne.


- forumeribatouring
- Administrateur du site
- Messages : 8327
- Enregistré le : dim. 23 déc. 2007 18:07
- Modèle de caravane : ERIBA
- Localisation : FRANCE
- Contact :
Re: Schémas électriques
Re,
A savoir que les schémas figurent sur notre Forum depuis le : MessagePosté: Jeu 17 Jan 2008 23:52
Certes, nous ne possédons pas Autocad et cette personne sera aimable de nous faire parvenir son N° de licence bien entendu.
A savoir que les schémas figurent sur notre Forum depuis le : MessagePosté: Jeu 17 Jan 2008 23:52
Certes, nous ne possédons pas Autocad et cette personne sera aimable de nous faire parvenir son N° de licence bien entendu.
Salutations, Eribamaniacs de tous pays...................................
06.08.33.15.40- cleopatre
- Messages : 443
- Enregistré le : sam. 22 août 2009 18:28
- Modèle de caravane : Troll 530 GT +RAV4
- prénom : francine
- Localisation : 91750 Essonne
- Contact :
Re: Schémas électriques
+1 avec notre admin
- disco2magoliv
- Messages : 829
- Enregistré le : sam. 5 janv. 2008 17:03
- Modèle de caravane : Plus rien pour l'instant
- prénom : Dany & Pascal
- Localisation : FRANCE-dans le 06 mais loin de la foule
- Contact :
Re: Schémas électriques
C'est dommage c'est joli les couleurslagaffe a écrit :et un dernier pour la route![]()
suite à un message privé , sur les "droits d'auteur"des schémas en noir et blanc que j'ai repris pour les coloriser
je me vois dans l'obligation des les retirer
par contre l'auteur qui a les fameux droits, il aurait du penser à les faire en couleur et on lui aurait dit merci.
mais là on dit: "peut mieux faire" surtout quand on est si bon
Ciao

Modifié en dernier par disco2magoliv le ven. 17 déc. 2010 20:55, modifié 1 fois.
Dany & Pascal
Ex Troll 87 et Ex Troll 98 et plus rien pour l'instant.
Discovery TD5
Range Sport TDV6 3L
Et pas mal d'autres trucs qui roulent.
Ex Troll 87 et Ex Troll 98 et plus rien pour l'instant.
Discovery TD5
Range Sport TDV6 3L
Et pas mal d'autres trucs qui roulent.
-
moustache35
- Messages : 9
- Enregistré le : dim. 7 nov. 2010 19:29
- Modèle de caravane : Troll 510 gt 2OO2
- prénom : Alain
- Localisation : 35
- Contact :
Re: Schémas électriques
Bonsoir à tous,
Je suis vraiment désolé que ma question ait susciter autant de problèmes !!!
Nous sommes là pour nous rendre services, la vie n'est déjà pas facile pour certains;
A mon avis, de toute manière, tous ces schémas appartiennent au constructeur lui-même.
Merci encore à tous ceux qui ont essayé de m'aider.
A.C.
Je suis vraiment désolé que ma question ait susciter autant de problèmes !!!
Nous sommes là pour nous rendre services, la vie n'est déjà pas facile pour certains;
A mon avis, de toute manière, tous ces schémas appartiennent au constructeur lui-même.
Merci encore à tous ceux qui ont essayé de m'aider.
A.C.
- LANDERIBA
- Messages : 20718
- Enregistré le : sam. 1 nov. 2008 13:37
- Modèle de caravane : Familia de 1992 + Defender 110 de 1998. Land 109 de 1972.
- prénom : J-Pierre + Marie-Thé
- Localisation : Centre Bretagne Pontivy Morbihan
- Contact :
Re: Schémas électriques
Ça c'est "lagaffe"lagaffe a écrit : Bonjour,
http://www.lesamisderiba.fr/Schema-elec ... et-12V-des .
Je viens d'aller voir sur le site sus nommé, et il y a du schéma z'en couleur, bizarre, serait-ce le tien Lagaffe ???? Par exemple celui ci qui provient des z'amis, qu'on se le dise: http://www.lesamisderiba.fr/Schema-elec ... et-12V-des

A plouche
- djef24
- Messages : 7836
- Enregistré le : mar. 16 févr. 2010 10:59
- Modèle de caravane : Eriba troll jaune ( jubilé ) de 1998
- prénom : Jean-François
- Localisation : Sud Périgord noir
- Contact :
Re: Schémas électriques
systèmes d'exploitation : Ubuntu-mate , Lubuntu ( linux ) et Windows 10
A la r'voyure
djef
A la r'voyure
djef
- eribabinbin
- Messages : 11961
- Enregistré le : jeu. 18 févr. 2010 00:07
- Modèle de caravane : TROLL FEY AUDI AVANT 40 TDI mild-hybrid s-line
- prénom : benjamin
- Localisation : 15km de SANCERRE
- Contact :
Re: Schémas électriques
Deuzio Francine.cleopatre a écrit :+1 avec notre admin
Il est facile de se prévaloir de quelque chose copié à la source!!!
Je soutiens le chef et à DONF!!
Le courant passe, BINBIN.
- LANDERIBA
- Messages : 20718
- Enregistré le : sam. 1 nov. 2008 13:37
- Modèle de caravane : Familia de 1992 + Defender 110 de 1998. Land 109 de 1972.
- prénom : J-Pierre + Marie-Thé
- Localisation : Centre Bretagne Pontivy Morbihan
- Contact :
Re: Schémas électriques
Ces schéma étant sur toutes les notices des caravanes Eriba, ne sont-ils pas dans le domaine public?
Ou alors l'auteur de la réclamation les a recopiés avec son logiciel Auto CAD. Dans ce cas a-t-il demandé l'autorisation écrite de la maison Eriba/Hymer pour le faire ????
A plouche
Modifié en dernier par LANDERIBA le ven. 17 déc. 2010 20:58, modifié 1 fois.
- lagaffe
- Messages : 84
- Enregistré le : ven. 26 nov. 2010 23:27
- Modèle de caravane : Triton 1993
- prénom : michel
- Localisation : 59
- Contact :
Re: Schémas électriques
que d'histoires pour des schémas qui au départ ont été faits pour les Eribistes
le seul but que j'ai cherché , c'est d'apporter ma contribution quelque soit le forum ! personnellement je demande pas mieux que mes colorisations soient mis sur d'autres forum d'Eriba ( pas besoin de ma permission c'est libre d'accès pour TOUS ! je suis tellement content de trouver une astuce pour mon Eriba , quelque soit le forum ! que lorsque j'en une , je m'empresse d'en faire profiter les copains ! ne formons nous pas une grande famille ????
mais je dois être peut être un peu utopique ! faut dire que je suis pour le partage des choses ( c'est pas pour rien que je suis bénévole au restaurant de mon ami Coluche )
bon....ceci dit , nous n'allons pas en faire une affaire d'état !
quand au schémas que j'ai retiré , je les ai envoyé "forumeribatouring" , qui jugera opportun ou pas de les remettre !
donc passons à d'autres choses plus sympath d'autant plus que c'est les fêtes.
mais je dois être peut être un peu utopique ! faut dire que je suis pour le partage des choses ( c'est pas pour rien que je suis bénévole au restaurant de mon ami Coluche )
bon....ceci dit , nous n'allons pas en faire une affaire d'état !
quand au schémas que j'ai retiré , je les ai envoyé "forumeribatouring" , qui jugera opportun ou pas de les remettre !
donc passons à d'autres choses plus sympath d'autant plus que c'est les fêtes.
- gene30
- Messages : 141
- Enregistré le : lun. 8 juin 2009 10:58
- Modèle de caravane : familia 310 GT
- Localisation : le sud ...
Re: Schémas électriques
eribabinbin a écrit :Deuzio Francine.cleopatre a écrit :+1 avec notre admin
Il est facile de se prévaloir de quelque chose copié à la source!!!
Je soutiens le chef et à DONF!!
Le courant passe, BINBIN.
Faut s'isoler pour pas prendre de décharge , mais t'es sûrement déjà au courant, hein Binbin ?
Elle est pas belle mon eriba ?- NICT00
- Messages : 1714
- Enregistré le : lun. 22 mars 2010 19:21
- Modèle de caravane : Trollinette 530Gt et Peugeot 3008 HDI 2.0 163 ch
- prénom : Fernand & Liz
- Localisation : Morbihan, Bretagne
- Contact :
Re: Schémas électriques
Cha chai bien vrai auchiLANDERIBA a écrit :![]()
Ces schéma étant sur toutes les notices des caravanes Eriba, ne sont-ils pas dans le domaine public?
Ou alors l'auteur de la réclamation les a recopiés avec logiciel Auto CAD. Dans ce cas a-t-il demandé l'autorisation écrite de la maison Eriba/Hymer pour le faire ????![]()
A plouche
Kénavo,
Fernand & Elisabeth
Ma passion la Bretagne.

Fernand & Elisabeth
Ma passion la Bretagne.


-
niva 56
Re: Schémas électriques
je ne retrouve plus ma réponse au sujet du MP reçu également par moi
merci
Adm :
Certainement erreur de manip ou ou oublie d'ENVOYER
- djef24
- Messages : 7836
- Enregistré le : mar. 16 févr. 2010 10:59
- Modèle de caravane : Eriba troll jaune ( jubilé ) de 1998
- prénom : Jean-François
- Localisation : Sud Périgord noir
- Contact :
Re: Schémas électriques
binbin ...y craint rien ...il est déja à la masse....gene30 a écrit :eribabinbin a écrit :Deuzio Francine.cleopatre a écrit :+1 avec notre admin
Il est facile de se prévaloir de quelque chose copié à la source!!!
Je soutiens le chef et à DONF!!
Le courant passe, BINBIN.
Faut s'isoler pour pas prendre de décharge , mais t'es sûrement déjà au courant, hein Binbin ?
systèmes d'exploitation : Ubuntu-mate , Lubuntu ( linux ) et Windows 10
A la r'voyure
djef
A la r'voyure
djef
- troll-manhattan
- Messages : 419
- Enregistré le : dim. 6 janv. 2008 08:06
- Modèle de caravane : Fleurette Tamaris 37 DD de 1992 Scénic 1.6 DCI 130cv
- prénom : Patrick
- Localisation : 28
- Contact :
Re: Schémas électriques
Ohh le beau schéma en couleur!!!
Le vrai il est en noir et blanc et je l'ai dans mes archives...
Mais voila lorsque j'ai passé au scanner "l'original" de Hymer ne devait être pas assez bien pour "le perfectionniste" du MP
Au fait il ne m'a pas demandé la permission pour changer ce que j'avais posté ailleurs!!!!
La personne se reconnaitra surement
(je ne parle pas de Lagaffe
)
Le but de tous ces documents c'est de profiter au plus grand nombre et ce devrait être la mentalité de tout forum, site, ou association...
C'est là ou l'on reconnait de "Véritables" amis!!!!
Cordialement
Patrick
Le vrai il est en noir et blanc et je l'ai dans mes archives...
Mais voila lorsque j'ai passé au scanner "l'original" de Hymer ne devait être pas assez bien pour "le perfectionniste" du MP
Au fait il ne m'a pas demandé la permission pour changer ce que j'avais posté ailleurs!!!!
La personne se reconnaitra surement
Le but de tous ces documents c'est de profiter au plus grand nombre et ce devrait être la mentalité de tout forum, site, ou association...
C'est là ou l'on reconnait de "Véritables" amis!!!!
Cordialement
Patrick
Agis avec gentillesse, mais n'attends pas de la reconnaissance. "Confucius"
- eribabinbin
- Messages : 11961
- Enregistré le : jeu. 18 févr. 2010 00:07
- Modèle de caravane : TROLL FEY AUDI AVANT 40 TDI mild-hybrid s-line
- prénom : benjamin
- Localisation : 15km de SANCERRE
- Contact :
Re: Schémas électriques
C'est la différence de POT (je te reconnaissois djejdjef24 a écrit :binbin ...y craint rien ...il est déja à la masse....gene30 a écrit :eribabinbin a écrit :
Deuzio Francine.
Il est facile de se prévaloir de quelque chose copié à la source!!!
Je soutiens le chef et à DONF!!
Le courant passe, BINBIN.
Faut s'isoler pour pas prendre de décharge , mais t'es sûrement déjà au courant, hein Binbin ?..
Binbin, chebran.
- tintin
- Messages : 1106
- Enregistré le : dim. 26 oct. 2008 11:24
- Modèle de caravane : Triton BST 1978.
- prénom : Jean Louis- Marie.
- Localisation : Boussois....prés de Maubeuge.
- Contact :
Re: Schémas électriques
bonjour à Tous ,
CHEF...... Si les schémas sont sur des sites tels que Google et donc en libre accès ,je me permets de faire imprim'écran et de les copier ,pour mon compte personnel.
Celui ou celle qui ne veulent pas qu'on les copient n'ont qu'a les mettent sur leur site payant ou non en privé.
Car je trouve que si c'est en libre accès on peut les copier.
C'est mon avis.
N'y a t'il pas moyen de priver l'accès de notre Forum aux grincheux et insatisfaits ,car on sait qui c'est.....
Jean Louis.
CHEF...... Si les schémas sont sur des sites tels que Google et donc en libre accès ,je me permets de faire imprim'écran et de les copier ,pour mon compte personnel.
Celui ou celle qui ne veulent pas qu'on les copient n'ont qu'a les mettent sur leur site payant ou non en privé.
Car je trouve que si c'est en libre accès on peut les copier.
C'est mon avis.
N'y a t'il pas moyen de priver l'accès de notre Forum aux grincheux et insatisfaits ,car on sait qui c'est.....
Jean Louis.
Entre gens de même nature , l'amitié s'entretient et dure.....
- djef24
- Messages : 7836
- Enregistré le : mar. 16 févr. 2010 10:59
- Modèle de caravane : Eriba troll jaune ( jubilé ) de 1998
- prénom : Jean-François
- Localisation : Sud Périgord noir
- Contact :
Re: Schémas électriques
+1
systèmes d'exploitation : Ubuntu-mate , Lubuntu ( linux ) et Windows 10
A la r'voyure
djef
A la r'voyure
djef
- lagaffe
- Messages : 84
- Enregistré le : ven. 26 nov. 2010 23:27
- Modèle de caravane : Triton 1993
- prénom : michel
- Localisation : 59
- Contact :
Re: Schémas électriques
merci à tous ! je vois que ce forum
est dans l'esprit d'une grande famille ! quand aux schémas couleur , patientez un peu le boss les a et il compte bien les remettre !
- eribabinbin
- Messages : 11961
- Enregistré le : jeu. 18 févr. 2010 00:07
- Modèle de caravane : TROLL FEY AUDI AVANT 40 TDI mild-hybrid s-line
- prénom : benjamin
- Localisation : 15km de SANCERRE
- Contact :
Re: Schémas électriques
Bonjour lagaffe.lagaffe a écrit :merci à tous ! je vois que ce forumest dans l'esprit d'une grande famille ! quand aux schémas couleur , patientez un peu le boss les a et il compte bien les remettre !
Regarde ce que j'ai reçu hier soir à 17/12/10 22:56
objet : Compte désactivé
de " Les A**** d'E****"
Il est très réactif le Mr, plus doué à rayer les membres qu'à reconnaitre sa bêtise!
là,
Bonjour,
Je pense que vous ne serez pas surpris de découvrir la désactivation de votre compte puisque vous en connaissez la raison, ainsi toute explication est inutile et/ou se retournera contre nous, n'est ce pas !
Sachez aussi qu'une demande d'adhésion de votre part pour l'année 2011, vous sera refusée. En effet, on n'adhère pas pour un avantage pécunier et avec un esprit qui ne correspond pas à celle-ci.
Si vous vous demandiez à quand votre radiation, voilà c'est fait !
Cordialement.
Pour avis à tous les passionnés et bénévoles de notre fofo.
Binbin.
-
niva 56
Re: Schémas électriques
Pas cool le mec heureusement que je ne suis pas chez eux il me virerait aussi
- LANDERIBA
- Messages : 20718
- Enregistré le : sam. 1 nov. 2008 13:37
- Modèle de caravane : Familia de 1992 + Defender 110 de 1998. Land 109 de 1972.
- prénom : J-Pierre + Marie-Thé
- Localisation : Centre Bretagne Pontivy Morbihan
- Contact :
Re: Schémas électriques
- lagaffe
- Messages : 84
- Enregistré le : ven. 26 nov. 2010 23:27
- Modèle de caravane : Triton 1993
- prénom : michel
- Localisation : 59
- Contact :
Re: Schémas électriques
je suis vraiment désolé pour la radiation
que d'histoires pour quelques Schémas ! et dire que tout cela est un peu de ma faute 
- gene30
- Messages : 141
- Enregistré le : lun. 8 juin 2009 10:58
- Modèle de caravane : familia 310 GT
- Localisation : le sud ...
Re: Schémas électriques
Ne sois pas désolé, tu croyais bien faire ! Et , à mon humble avis, tu as bien fait ( le chef nous dira si je me trompe , hein chef ??? ) : en couleur c'est bien plus clair pour tout le monde !
Pour le reste, on s'en fiche ...
Pour le reste, on s'en fiche ...
Elle est pas belle mon eriba ?- djef24
- Messages : 7836
- Enregistré le : mar. 16 févr. 2010 10:59
- Modèle de caravane : Eriba troll jaune ( jubilé ) de 1998
- prénom : Jean-François
- Localisation : Sud Périgord noir
- Contact :
Re: Schémas électriques
t'inquiètes...........ne te fait pas de bile pour si peu...........lagaffe a écrit :je suis vraiment désolé pour la radiationque d'histoires pour quelques Schémas ! et dire que tout cela est un peu de ma faute
systèmes d'exploitation : Ubuntu-mate , Lubuntu ( linux ) et Windows 10
A la r'voyure
djef
A la r'voyure
djef
- disco2magoliv
- Messages : 829
- Enregistré le : sam. 5 janv. 2008 17:03
- Modèle de caravane : Plus rien pour l'instant
- prénom : Dany & Pascal
- Localisation : FRANCE-dans le 06 mais loin de la foule
- Contact :
Re: Schémas électriques
Salut,eribabinbin a écrit : objet : Compte désactivé
de " Les A**** d'E****"
Il est très réactif le Mr, plus doué à rayer les membres qu'à reconnaitre sa bêtise!
Il y a des années j'imaginai que les utilisateurs et passionnés d'Eriba étaient des gens coincés
Puis intrigué par le concept,j'ai trainé sur un forum tagué aussi Eriba, mais qui ne me convenait pas vraiment non plus.
Mais faute de grive........on mange du merle.
Et un jour j'ai découvert "Eribatouring" le fofo des dissidents décoincés et là je me suis senti bien
donc considère comme une grande chance pour toi qu'il t'ait viré.
Ciao
Dany & Pascal
Ex Troll 87 et Ex Troll 98 et plus rien pour l'instant.
Discovery TD5
Range Sport TDV6 3L
Et pas mal d'autres trucs qui roulent.
Ex Troll 87 et Ex Troll 98 et plus rien pour l'instant.
Discovery TD5
Range Sport TDV6 3L
Et pas mal d'autres trucs qui roulent.
- eribabinbin
- Messages : 11961
- Enregistré le : jeu. 18 févr. 2010 00:07
- Modèle de caravane : TROLL FEY AUDI AVANT 40 TDI mild-hybrid s-line
- prénom : benjamin
- Localisation : 15km de SANCERRE
- Contact :
Re: Schémas électriques
Bonsoir lagaffe, ne soit pas désolé bien au contraire, tes schémas sont au toplagaffe a écrit :je suis vraiment désolé pour la radiationque d'histoires pour quelques Schémas ! et dire que tout cela est un peu de ma faute
Je te remercie encore pour TON TRAVAIL BENEVOLE.
Bonne soirée, dort tranquille :-D , BINBIN.
- cleopatre
- Messages : 443
- Enregistré le : sam. 22 août 2009 18:28
- Modèle de caravane : Troll 530 GT +RAV4
- prénom : francine
- Localisation : 91750 Essonne
- Contact :
Re: Schémas électriques
ON NE DISCUTE PAS AVEC UNE BROUETTE ,ON LA POUSSE ....DEHORS !
une ex virée de chez qui vous savez ,et je n'ai pas du tout envie de prendre des gants pour ménager la chèvre !!!!
une ex virée de chez qui vous savez ,et je n'ai pas du tout envie de prendre des gants pour ménager la chèvre !!!!
FRANCINE- tintin
- Messages : 1106
- Enregistré le : dim. 26 oct. 2008 11:24
- Modèle de caravane : Triton BST 1978.
- prénom : Jean Louis- Marie.
- Localisation : Boussois....prés de Maubeuge.
- Contact :
Re: Schémas électriques
C'est vrai Lagaffe que tu as fait un très beau travail et on se repère mieux avec les couleurs.......
Donc aussitôt que tes schémas reviennent je m'empresse de les copier......
Bonne Soirée.
Jean Louis.
Donc aussitôt que tes schémas reviennent je m'empresse de les copier......
Bonne Soirée.
Jean Louis.
Entre gens de même nature , l'amitié s'entretient et dure.....
- forumeribatouring
- Administrateur du site
- Messages : 8327
- Enregistré le : dim. 23 déc. 2007 18:07
- Modèle de caravane : ERIBA
- Localisation : FRANCE
- Contact :
Re: Schémas électriques
Bonsoir,
Pour oublier ce que nous avons l'habitude de ne pas cautionner ici, voici les schémas qui sont fait pour servir, aider, dépanner.
Pour info, je détiens les originaux issus de chez ERIBA depuis juin 2007.
Il n'y avait pas de problèmes à cette époque
sur la toile.
Pour oublier ce que nous avons l'habitude de ne pas cautionner ici, voici les schémas qui sont fait pour servir, aider, dépanner.
Pour info, je détiens les originaux issus de chez ERIBA depuis juin 2007.
Il n'y avait pas de problèmes à cette époque
Salutations, Eribamaniacs de tous pays...................................
06.08.33.15.40-
niva 56
- eribabinbin
- Messages : 11961
- Enregistré le : jeu. 18 févr. 2010 00:07
- Modèle de caravane : TROLL FEY AUDI AVANT 40 TDI mild-hybrid s-line
- prénom : benjamin
- Localisation : 15km de SANCERRE
- Contact :
Re: Schémas électriques
En deux mots; Merci (à) Vous
BINBIN
BINBIN
- NICT00
- Messages : 1714
- Enregistré le : lun. 22 mars 2010 19:21
- Modèle de caravane : Trollinette 530Gt et Peugeot 3008 HDI 2.0 163 ch
- prénom : Fernand & Liz
- Localisation : Morbihan, Bretagne
- Contact :
Re: Schémas électriques
Kénavo,
Fernand & Elisabeth
Ma passion la Bretagne.

Fernand & Elisabeth
Ma passion la Bretagne.


- djef24
- Messages : 7836
- Enregistré le : mar. 16 févr. 2010 10:59
- Modèle de caravane : Eriba troll jaune ( jubilé ) de 1998
- prénom : Jean-François
- Localisation : Sud Périgord noir
- Contact :
Re: Schémas électriques
super....et complet en plus............un grand merci 
systèmes d'exploitation : Ubuntu-mate , Lubuntu ( linux ) et Windows 10
A la r'voyure
djef
A la r'voyure
djef
Qui est en ligne
Utilisateurs parcourant ce forum : Aucun utilisateur enregistré et 1 invité




