Amortisseur sur Puck
- Papy17
- Messages : 10
- Enregistré le : ven. 19 sept. 2025 08:30
- Modèle de caravane : Eriba Puck
- prénom : ronald
- Localisation : Charente-Maritime
- Contact :
Amortisseur sur Puck
Bonjour
Je suis totalement novice...
Je ne comprends pas comment fonctionne l'amortisseur et le vérin dans le timon de ma Puck (1979)
La tête d'attelage est fixé sur un cylindre par 2 boulons et celui ci
coulisse dans le timon
Ce cylindre contient l'amortisseur fixé à l’arrière dans le timon par une boulonnerie, traversant le cylindre par une ouverture carrée, et à l'avant par l'un des 2 écrous de la tête d'attelage.
Je m'interroge sur ce montage car cela voudrait dire que la Puck n'est tenue que par le vérin amortisseur !
Ou est ce que je me trompe ?
Merci de votre aide.
Je suis totalement novice...
Je ne comprends pas comment fonctionne l'amortisseur et le vérin dans le timon de ma Puck (1979)
La tête d'attelage est fixé sur un cylindre par 2 boulons et celui ci
coulisse dans le timon
Ce cylindre contient l'amortisseur fixé à l’arrière dans le timon par une boulonnerie, traversant le cylindre par une ouverture carrée, et à l'avant par l'un des 2 écrous de la tête d'attelage.
Je m'interroge sur ce montage car cela voudrait dire que la Puck n'est tenue que par le vérin amortisseur !
Ou est ce que je me trompe ?
Merci de votre aide.
- LANDERIBA
- Messages : 20730
- Enregistré le : sam. 1 nov. 2008 13:37
- Modèle de caravane : Familia de 1992 + Defender 110 de 1998. Land 109 de 1972.
- prénom : J-Pierre + Marie-Thé
- Localisation : Centre Bretagne Pontivy Morbihan
- Contact :
Re: Amortisseur sur Puck
Est ce une tête ALKO ou autre ? Y a-t-il une référence ?
Cela permettrait d'en savoir plus et p'tet de trouver un plan éclaté sur le forum ...
JP
Cela permettrait d'en savoir plus et p'tet de trouver un plan éclaté sur le forum ...
JP
- Gino18
- Messages : 138
- Enregistré le : lun. 3 juin 2024 20:35
- Modèle de caravane : Eriba Puck 1979
- prénom : Ginoa
- Localisation : Cher
- Contact :
Re: Amortisseur sur Puck
Il y a un ,j’ai changé également l’amortisseur, et effectivement ça semble être identique au mien. J’ai remonté à l’identique en prenant le soin de tout nettoyer avant remontage. Et changer les écrous freins de la tête de lapin.
Eriba Puck 1979.
Bourges 18 et alentours
Bourges 18 et alentours
- Papy17
- Messages : 10
- Enregistré le : ven. 19 sept. 2025 08:30
- Modèle de caravane : Eriba Puck
- prénom : ronald
- Localisation : Charente-Maritime
- Contact :
Re: Amortisseur sur Puck
Tout d'abord je vous remercie pour vos réponses rapides !
Pour la référence, voici la photo de la plaque fixée au timon.
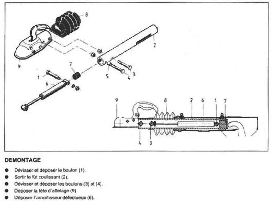
Et voici un éclaté touvé sur le forum. Pas exactement mon modèle mais assez proche je crois.
J'ai commandé un amortisseur (Bradley 3020), démonté le timon, sorti le fût coulissant qui coulisse dans le timon et dans lequel passe l'amortisseur, et maintenant j'attends la reception du Bradley 3020.
Mon inquiétude en anticipant le remontage : J'ai l'impression que le fut coulissant, sur lequel est fixé la tête d'attelage, n'est retenu au timon que par l'intermédiaire de l'amortisseur. Seul ce dernier resisterait à la traction lorsque l'on roule, accelere... rien d'autre qui garantirait de ne pas voir le fut coulissant se détacher du timon (et donc de la caravane
) lorsque l'on roule.
Ma compréhension est elle bonne ou je m'inquiete pour rien ?
Pour la référence, voici la photo de la plaque fixée au timon.
Et voici un éclaté touvé sur le forum. Pas exactement mon modèle mais assez proche je crois.
J'ai commandé un amortisseur (Bradley 3020), démonté le timon, sorti le fût coulissant qui coulisse dans le timon et dans lequel passe l'amortisseur, et maintenant j'attends la reception du Bradley 3020.
Mon inquiétude en anticipant le remontage : J'ai l'impression que le fut coulissant, sur lequel est fixé la tête d'attelage, n'est retenu au timon que par l'intermédiaire de l'amortisseur. Seul ce dernier resisterait à la traction lorsque l'on roule, accelere... rien d'autre qui garantirait de ne pas voir le fut coulissant se détacher du timon (et donc de la caravane
Ma compréhension est elle bonne ou je m'inquiete pour rien ?
- LANDERIBA
- Messages : 20730
- Enregistré le : sam. 1 nov. 2008 13:37
- Modèle de caravane : Familia de 1992 + Defender 110 de 1998. Land 109 de 1972.
- prénom : J-Pierre + Marie-Thé
- Localisation : Centre Bretagne Pontivy Morbihan
- Contact :
Re: Amortisseur sur Puck
Ce que l'on ne voit pas sur ta photo c'est ça, flèche.
JP
- Papy17
- Messages : 10
- Enregistré le : ven. 19 sept. 2025 08:30
- Modèle de caravane : Eriba Puck
- prénom : ronald
- Localisation : Charente-Maritime
- Contact :
Re: Amortisseur sur Puck
Sur le schéma il semble y avoir une sorte de fente, ce qu'indique la flèche rouge. Et on peut imaginer un élément fixé au timon qui y coulisserait, sécurisant l'ensemble.
Mais sur le fut coulissant qui équipe mon Eriba je n'ai pas cette fente, il n'y a rien d'autre que les 4 trous pour la tête d'attelage et l'amortisseur.
D'où mon interrogation...
Mais sur le fut coulissant qui équipe mon Eriba je n'ai pas cette fente, il n'y a rien d'autre que les 4 trous pour la tête d'attelage et l'amortisseur.
D'où mon interrogation...
- Gino18
- Messages : 138
- Enregistré le : lun. 3 juin 2024 20:35
- Modèle de caravane : Eriba Puck 1979
- prénom : Ginoa
- Localisation : Cher
- Contact :
Re: Amortisseur sur Puck
Nous avons le même, et j’ai remonté à l’identique avant de nettoyer, j’ai pas eu de soucis particulier non plus malgré les 900 km ...
Eriba Puck 1979.
Bourges 18 et alentours
Bourges 18 et alentours
- Papy17
- Messages : 10
- Enregistré le : ven. 19 sept. 2025 08:30
- Modèle de caravane : Eriba Puck
- prénom : ronald
- Localisation : Charente-Maritime
- Contact :
Re: Amortisseur sur Puck
Finalement aucun problème de remontage de l’amortisseur, merci au forum.
Qui est en ligne
Utilisateurs parcourant ce forum : Aucun utilisateur enregistré et 1 invité
